此方案为沃虎电子科技(VOOHU)百兆CHIP LAN电路标准方案,公司专注于通讯电子元件领域已逾8年,公司秉承选沃虎·真靠谱的经营策略与服务理念,提供全套的技术方案支持。
10/100BASE-T网络接口&Chip Lan(电感式)&电流型PHY电路设计
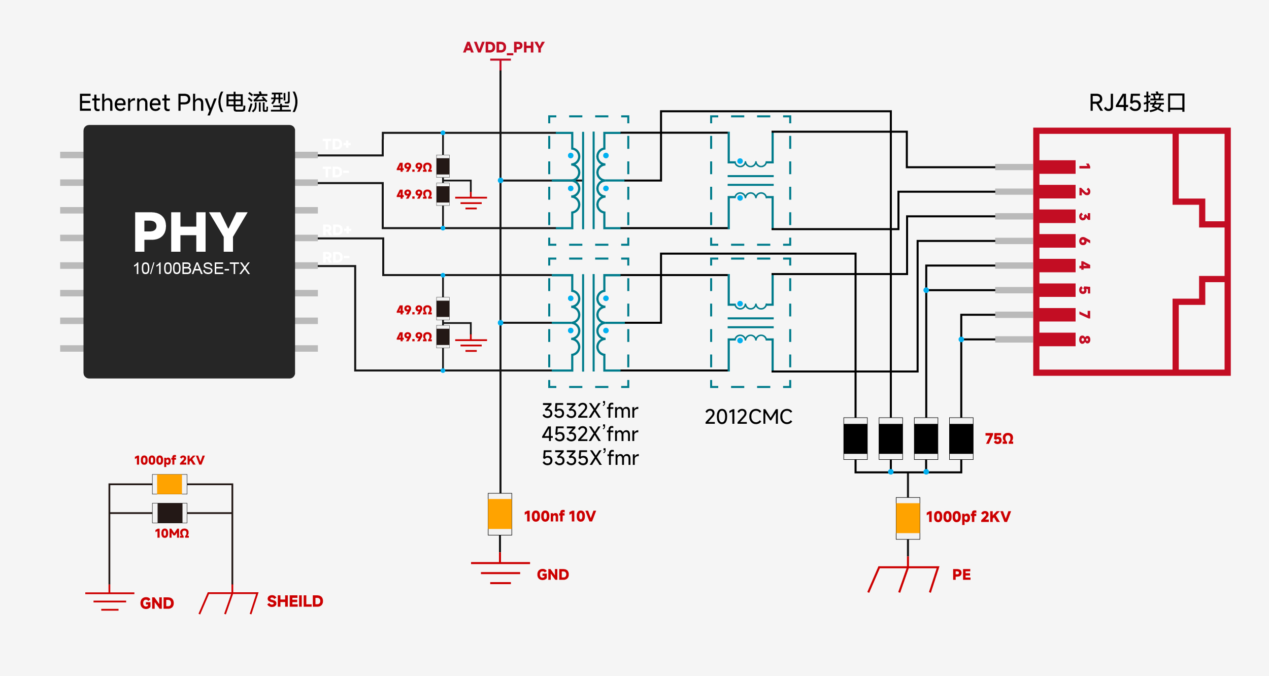
1.初级侧接线:
- 差分对连接:网络变压器的初级侧分别接入TD和RD的差分对, PCB布线时两组差分对的线序可以交换。
- 去耦电容:初级侧应通过一个100nF的电容连接至GND,确保信号 的稳定性和完整性。
- VCC供电:对于电流型PHY,初级线圈需要连接到PHY的VCC,以 滤除高频噪声,确保信号的稳定性。推荐在每组差分对中间并联两颗49.9Ω电阻,并接入GND。
2.次级侧接线:
- RJ45连接:次级侧连接到RJ45接口的1、2、3、6引脚。
- BOB Smith电路:次级侧和空闲对应接入一个75Ω的电阻,随后通 过一个1nF、耐压2KV及以上的电容连接至机壳地。推荐使用1206封装的贴片陶瓷电容或具有较宽脚距的高压瓷片电容。
3.接地处理:
- 悬空引脚:RJ45接口的悬空引脚也应通过类似的设计连接至机壳地,最终流入大地,确保整个电路的接地系统完整。电路功能说明
- BOB Smith电路:由75Ω电阻和1nF电容组成的电路,为共模信号提供回流路径,有效滤除共模信号,改善电磁干扰(EMI),并在一定程度上抑制浪涌电流。
- 去耦电容:100nF电容用于滤除高频噪声,确保信号的稳定性和完整性。
- 耐压电容:1nF电容的耐压值必须达到2KV或更高,以确保在高压环境下的可靠性。
10/100BASE-T网络接口&Chip Lan(电感式)&电压型PHY电路设计
1.初级侧接线:
- 差分对连接:网络变压器的初级侧分别接入TD和RD的差分对, PCB布线时两组差分对的线序可以交换。
- 去耦电容:初级侧应通过一个100nF的电容连接至GND,确保信号 的稳定性和完整性。
2.次级侧接线:
- RJ45连接:次级侧连接到RJ45接口的1、2、3、6引脚。
- BOB Smith电路:次级侧和空闲对应接入一个75Ω的电阻,随后通 过一个1nF、耐压2KV及以上的电容连接至机壳地。推荐使用1206封装的贴片陶瓷电容或具有较宽脚距的高压瓷片电容。
3.接地处理:
- 悬空引脚:RJ45接口的悬空引脚也应通过类似的设计连接至机壳地,最终流入大地,确保整个电路的接地系统完整。电路功能说明
- BOB Smith电路:由75Ω电阻和1nF电容组成的电路,为共模信号提供回流路径,有效滤除共模信号,改善电磁干扰(EMI),并在一定程度上抑制浪涌电流。
- 去耦电容:100nF电容用于滤除高频噪声,确保信号的稳定性和完整性。
- 耐压电容:1nF电容的耐压值必须达到2KV或更高,以确保在高压环境下的可靠性。
本方案优点
Chip Lan(电感式)基于电磁耦合传输信号,继承了传统网变成熟稳定的传输特性;借助变压器具备高压隔离能力,可满足高电压环境下的电气绝缘需求;阻抗匹配通过变压器线圈圈比实现,原理成熟且与传统网变兼容,便于系统设计与适配;杂讯抑制采用中心抽头或共模电感,与传统网变、Chip Lan(电容式)的杂讯抑制机制相同,电磁兼容性能稳定,能在需高压隔离的场景中发挥优势,同时兼顾信号传输的可靠性与适配性。
- 产品图示--相关产品推荐


Chip Lan(电感式)& 电流型PHY电路设计

Chip Lan(电感式)& 电压型PHY电路设计

10/100BASE-T网络接口&Chip Lan(电容型)&电压型PHY电路设计
1.初级侧接线:
- 差分对连接:网络变压器的初级侧分别接入TD和RD的差分对,PCB布线时两组差分对的线序可以交换。
- 去耦电容:初级侧应通过一个100nF的电容连接至GND,确保信号的稳定性和完整性。
2.次级侧接线:
- RJ45连接:次级侧连接到RJ45接口的1、2、3、6引脚。
- BOB Smith电路:次级侧应接入一个75Ω的电阻,随后通过一个1nF、耐压2KV及以上的电容连接至机壳地。
推荐使用1206封装的贴片陶瓷电容或具有较宽脚距的高压瓷片电容。
3.接地处理:
- 悬空引脚:RJ45接口的悬空引脚也应通过类似的设计连接至机壳地,最终流入大地,确保整个电路的接地系统完整。电路功能说明。
- BOB Smith电路:由75Ω电阻和1nF电容组成的电路,为共模信号提供回流路径,有效滤除共模信号,改善电磁干扰(EMI),并在一定程度上抑制浪涌电流。
- 去耦电容:100nF电容用于滤除高频噪声,确保信号的稳定性和完整性。
- 耐压电容:1nF电容的耐压值必须达到2KV或更高,以确保在高压环境下的可靠性。
本方案优点
Chip Lan(电容式)通过电容直流隔离传输信号,可精准过滤直流干扰以保障脉冲信号有效传输;其阻抗匹配由电容、共模电感与自耦合变压器组成的等效电路实现,能灵活适配不同阻抗需求;杂讯抑制依靠共模电感或自耦合变压器,与 Chip Lan(电感式)及传统网变的杂讯抑制效果一致,且无需额外变压器结构,电路设计更为简洁,适用于侧重直流隔离与灵活阻抗匹配的场景。


Chip Lan(电容式)& 电压型PHY电路设计

-
注:以上方案均为标准设计仅供参考,最终电路设计以现场需求为准,来电咨询可免费获取深入支持。
Tel: 400-1048-018; E-mail: wohu@wohu-tek.com;
从 2018 年成立到 2025 年布局海外,沃虎电子靠 “品质过硬、价格实在、服务贴心、交期靠谱”,成了 1000 + 企业的可靠合作伙伴。
如果你也在找一家 “省心、省钱、省事” 的通信电子元器件供应商,不妨试试沃虎,毕竟,100+家上市公司的选择,总不会错。
选沃虎・真靠谱,不止是口号,更是 8 年 1000 + 客户用信任写下的答案。