沃虎电子提供单对以太网 (SPE) 的完整解决方案。该设计是首款完全符合 IEEE 802.3 信号要求,同时满足 1.5 kV 隔离以太网安全要求的方案。
这款紧凑型高性能 SPE 设计符合 IEC 62368-1 安全隔离标准,是您理想的选择。
方案优点
·符合IEC 62368-1标准的1.5 kV隔离
·布局简洁紧凑
·信号稳定性可达1000米支持
·10BASE-T1和100BASE-T1
为方便客户直观了解方案细节、快速匹配自身需求,沃虎官网(WWW.VOOHU.CN)设立解决方案专区:点击行业方案--解决方案--SPE,在这里可随时查阅各场景下的完整方案文档(含拓扑图、元件选型清单、性能参数表),下载针对各个细分领域的技术手册,还能获取方案落地案例的实测数据与优化建议。无论是前期方案规划、中期技术选型,还是后期问题排查,官网参考资源都能为客户提供精准支持,助力缩短设计周期、降低开发风险。传统以太网vs.单对以太网
1.小型化:可节约最多75%的PCB空间
传统以太网

单对以太网

2.简单化:PCB电路图设计
传统以太网

单对以太网

3.轻量化:电缆直径更细

传统以太网:4 Pairs
单对以太网:1 Pair、传输距离最远可达 1000 米、布线简单
SPE在工业应用领域的应用
单对以太网解决方案


TVS阵列:ESD防护,最高可达 15 kV(IEC 61000-4-2)

共模电感:噪声衰减
X'fmr自耦和变压器:隔离电压 1.5 kV (IEC 62368-1)

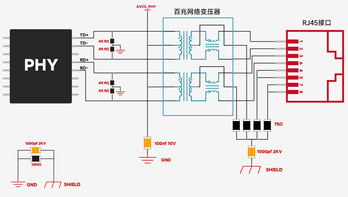
整个接口解决方案符合 IEEE 802.3cg/bw 标准。
单对以太网通信电路作为高度集成的混合信号系统,巧妙地将高速数据通信与极简的物理层设计融合于单对双绞线之中。
从信号接入、完整性处理到协议转换的整个过程,涉及多级精密信号链路的协同,每一级都面临着空间与性能平衡的独特设计挑战。
通过核心芯片的合理选型、针对高频损耗与电磁兼容的细致PCB布局,以及严格的信号保护策略,可以构建出稳定可靠、结构紧凑且完全符合相关标准的单对以太网通信设备,满足工业控制、车载网络及智能传感等领域对轻量化布线和高带宽数据通信的日益增长需求。
沃虎价值承诺--选沃虎·真靠谱
沃虎系统化解决方法,不止是物料搭配,我们为客户带来三大价值赋能:
- 1. 定制化服务:根据客户的具体需求,我们可以提供定制化的硬件设计和制造服务。无论是特殊的应用场景还是个性化的功能需求,我们都能满足。
- 2. 一站式采购:客户可以从我们这里采购到所有需要的硬件产品,包括RJ45连接器、网络变压器、ESD保护器件和以太网网口PHY等。一站式采购不仅方便快捷,还能降低成本。
- 3. 技术支持:我们提供全面的技术支持,从硬件选型到电路设计,从测试验证到生产制造,我们都能提供专业的技术支持。我们的技术支持团队由经验丰富的工程师组成,可以快速响应客户的需求,解决客户的问题。
-
从 2018 年成立到 2025 年布局海外,沃虎电子靠 “品质过硬、价格实在、服务贴心、交期靠谱”,成了 1000 + 企业的可靠合作伙伴。
如果你也在找一家 “省心、省钱、省事” 的通信电子元器件供应商,不妨试试沃虎,毕竟,100+家上市公司的选择,总不会错。
选沃虎・真靠谱,不止是口号,更是 8 年 1000 + 客户用信任写下的答案。